[FPAAを4個使ってSSBジェネレーターを作りました。回路の設計はANADIGMDesigner2の図面です。]
[1段目は7.633588(2000Khz/262)のキャリアーでDSBを作ります次の2段が中心周波数9.11Khz8ポールFilterでLSBに4段目は1段のAllpassでIQ信号にしています]
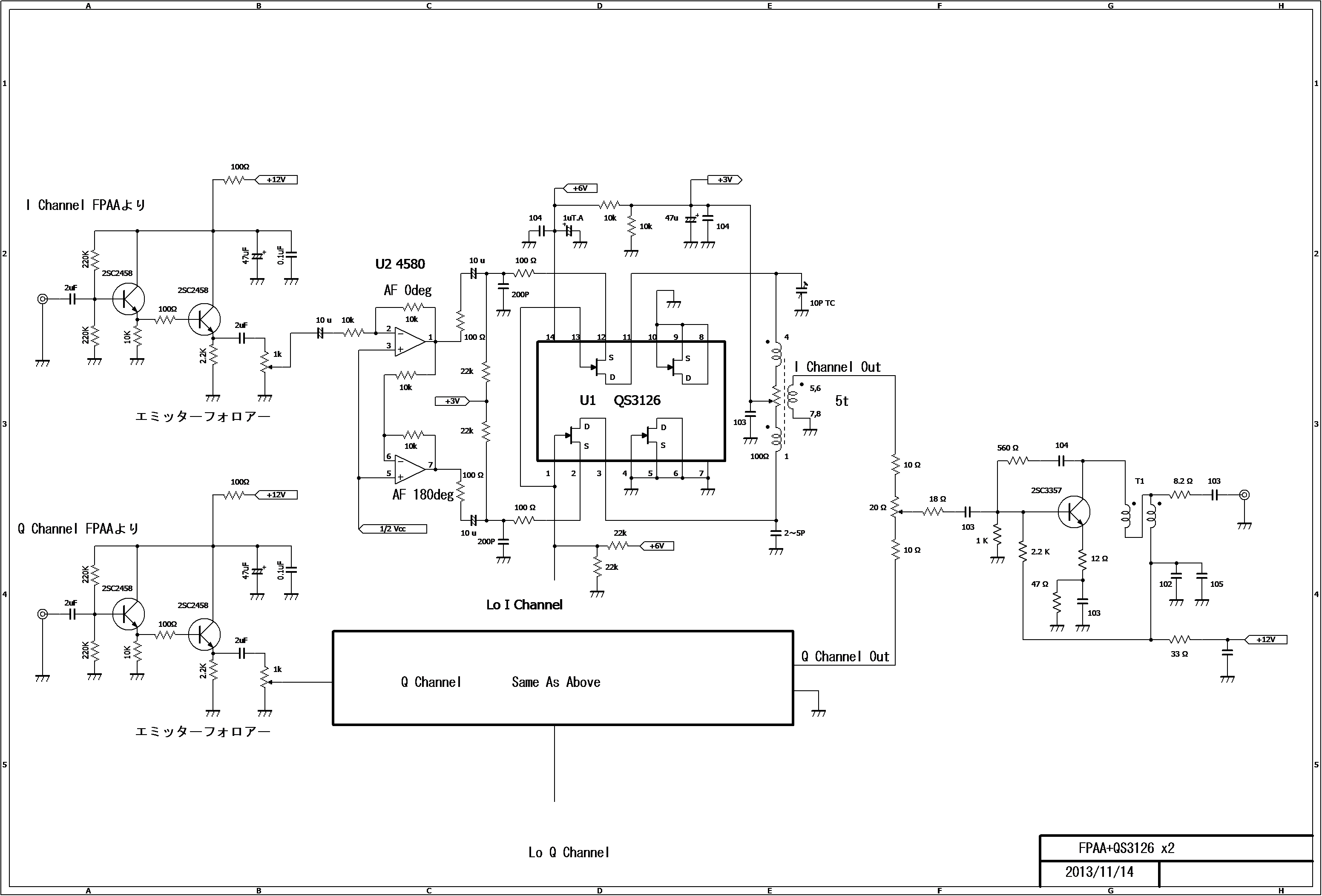
[その後バススイッチのミキサーで7MhzのSSBエキサイターにしています。ミキサーのLoにはDDSで7Mhzの4倍の周波数を入れています。]
[FPAA4 9.11Khz Filter+AllPass1段]

[FPAA CF9.11Khz Filter]

[バススイッチのミキサー]
